Pump and pump pry system supplier
Description:
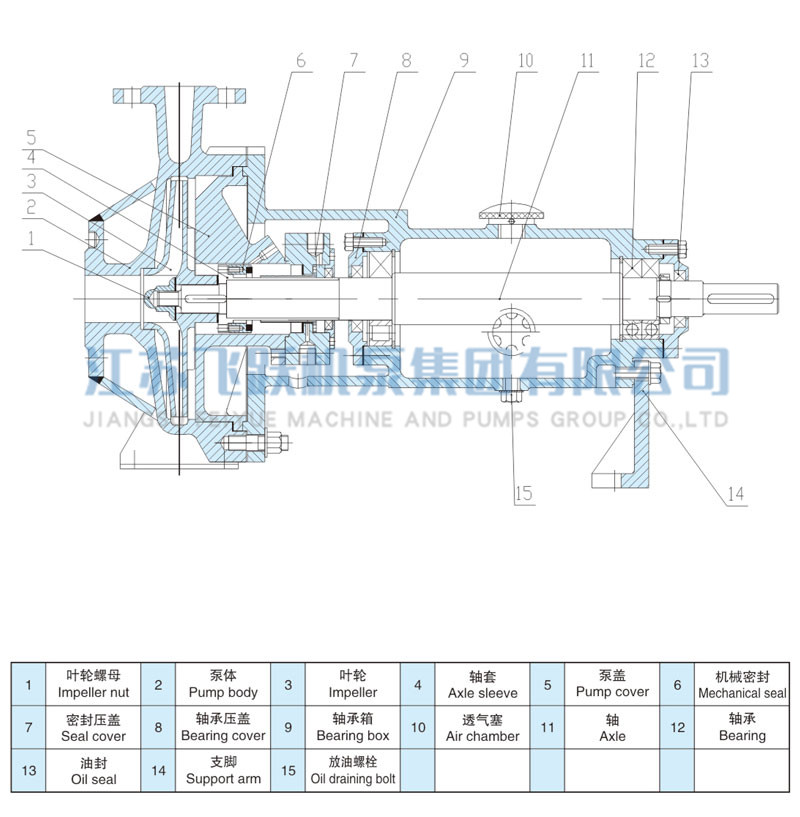
The third generation molten urea pump is a single-stage single suction cantilever centrifugal pump. Suitable for transporting melted urea solution in fertilizer plants, and can also be used for transporting other corrosive liquids that do not contain suspended particles. The temperature of the medium is allowed to be between -20 ℃ and 180 ℃. The pump is designed for horizontal axial suction and radial top discharge. There is an insulation jacket on the front side of the pump, and the double insulation jacket allows for steam insulation at 0.59MPa and 170 ℃. Users can choose different materials, models, and adjustable flow rates and head according to the degree of corrosion performance of the conveyed medium.
If you would like to have a deeper understanding of our products, prices, and after-sales service, please contact us in the following ways. We will respond promptly and provide you with necessary services wholeheartedly.

Phone : +86 0523-84328880
Phone : +86 0523-84321006
Email : info@jsfeiyue.net
Email : wxq@jsfeiyue.net
Address : No. 18, Runxin Avenue, Xinqiao Industrial Park, Jingjiang City, Jiangsu Province, China
Copyright © 2025 Jiangsu Feiyue Pump Industry Co., Ltd.
Privacy StatementPlease leave your message here!We will send detailed technical info and quotation to you!
Tel No : +86 0523-84328880
Tel No : +86 0523-84321006
E-mail : info@jsfeiyue.net
E-mail : wxq@jsfeiyue.net
Address : No. 18, Runxin Avenue, Xinqiao Industrial Park, Jingjiang City, Jiangsu Province, China
Copyright © 2025 Jiangsu Feiyue Pump Industry Co., Ltd.
